Ціль:

Перевірка точності визначення геометричних характеристик тонкостінного напівзамкнутого перерізу.

Література:

А.А. Уманский, Справочник проектировщика расчетно-теоретический, 1973, книга 1.

Формулювання задачі:

Для тонкостінного напівзамкнутого поперечного перерізу перевірити точність обчислення геометричних характеристик.

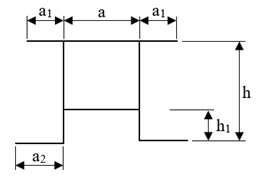
Геометрія:

h = 40 см; h1 = 10 см; a = 24 см; a1 = 4 см; a2 = 6 см; t = 1 см.

Aналітична схема

Модель в Конструкторі перерізів

Aналітична схема
Модель в Конструкторі перерізів

Аналітичне рішення:

A = 2t(a+a1+a2+h1+h2)
Wy = Iu / z5
Ip = Iu + Iv

Порівняння результатів розрахунку:

Параметр Теорія LIRA-FEM Похибка, %
Площа, A см2 148 148 0
Момент інерції відносно центральної осі U, Iu см4 30499,36 30493,694 0,0186
Момент інерції відносно центральної осі V, Iv см4 18145,3 18138,667 0,0366
Крутильний момент інерції, It см4 19213,3 19249,333 0,1872
Радіус інерції відносно головної осі Y1, Ry мм 143,554 143,54 0,0098
Радіус інерції відносно головної осі Z1, Rz мм 110,726 110,71 0,0145
Момент опору відносно головної осі Y1, Wy см3 1446,77 1412,983 2,3353
Момент опору відносно головної осі Z1, Wz см3 1008,072 1007,704 0,0365
Полярний момент інерції, Ip см4 48644,66 48644,66 0,0253
Полярний радіус інерції, ip см 181,295 181,27 0,0138
Полярний момент опору, Wp см3 1838,059 1730,543 5,8494

Завантажити приклад


Помилка в тексті? Виділіть її та натисніть Ctrl + Enter, щоб повідомити нам.



Коментарі

Написати