Визначення напружено-деформованого стану системи, що являє собою абсолютно жорстку і міцну балку на трьох нелінійно пружних підвісках.
B. Halphen et J. Salencon, Elastoplasticité, Presses de l’ENPC.
Визначити переміщення балки і зусилля у підвісках.
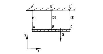
Абсолютно жорстка балка на трьох пружно-пластичних підвісках, завантажена зосередженою силою.
|
а
|
б
|
Довжина підвісів AA’ = ВВ’ = СС’ = 1 м;
Відстань між підвісами AВ = ВС = 1 м;
Площа поперечного перерізу підвісів S = S(1) = S(2) = S(3) = 10-4 м2.
Балка:
Абсолютно жорсткий стержень (Модуль пружності Е = 1 * 109 кПа)
Діаграма роботи підвісів:
Закон нелінійного деформування 14 – кусочно-лінійний закон деформування
Напруження зміни модуля пружності σY = 400 МПа;
Модуль пружності на першій ділянці роботи Е = 2,1 * 105 МПа;
Модуль пружності на другій ділянці роботи ЕТ = 0,25 * 106 МПа.
В’язі за всіма ступенями вільності в точках А’, B’, C’.
Зосереджена сила Q = (13/7)σYS, МН прикладена в середині прольоту ВС.
Задача розрахунку балки розв’язується у плоскій постановці (ознака схеми 2 – площина XOZ).
Для опису роботи підвісок використаний СЕ 201 – фізично нелінійний стержневий СЕ плоскої ферми. Для опису роботи балки використаний СЕ 2 – СЕ плоскої рами.
Оскільки вузли CЕ 201 мають два ступені вільності – переміщення вздовж глобальних осей X і Z, то з'єднання цих елементів у вузлах є шарнірним.
Для розв’язання нелінійної задачі організовано кроковий процес (кількість кроків=100, мінімальна кількість ітерацій=300).
Кількість вузлів: 6. Кількість елементів: 5.
|
Мозаїка вертикальних переміщень Z (δ), м
|
Мозаїка зусиль у підвісках N, кН
|
| Шукана величина | Точка | Аналітичне рішення | LIRA-FEM | Похибка, % |
| δ, м | А | 1,995 * 10-4 | 2,089 * 10-4 | 4,4998 |
| В | 13,696 * 10-4 | 13,51 * 10-4 | 1,3581 | |
| С | 25,397 * 10-4 | 24,931 * 10-4 | 1,8349 | |
| N, кН | А | 4,16 | 4,386 | 5,1528 |
| В | 28,762 | 28,371 | 1,3594 | |
| С | 41,333 | 41,529 | 0,472 |
Помилка в тексті? Виділіть її та натисніть Ctrl + Enter, щоб повідомити нам.
Коментарі