Ціль:

Визначення деформованого стану циліндричного тіла вільного від закріплень від впливу поздовжнього рівномірно розподіленого по торцях навантаження.

Література:

P. Germain, Introduction a la mecanique des milieux continus, Paris, Masson, 1986.

Формулювання задачі:

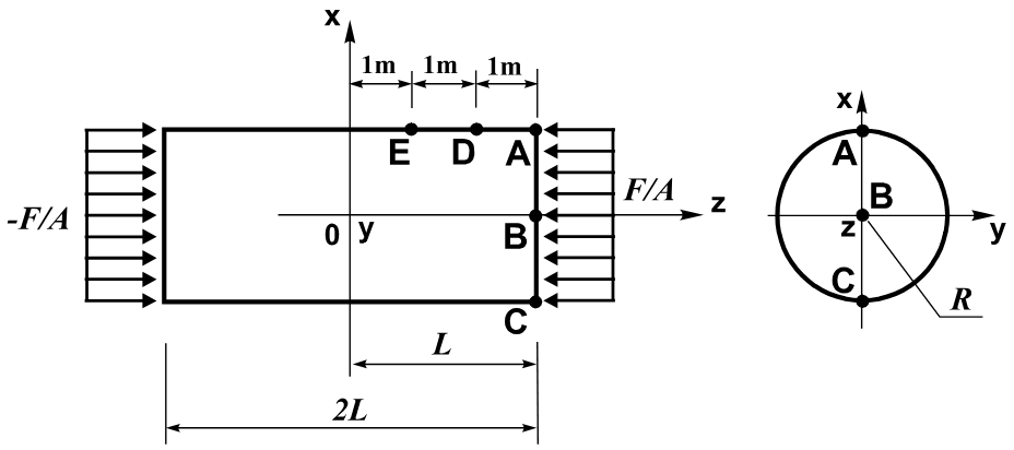
Циліндричне тіло, вільне від закріплень, знаходиться під впливом поздовжнього рівномірно розподіленого по торцях навантаження F/A.

Визначити меридіональні Z(G) і радіальні X(G) переміщення точок E, D, A (C) бічної поверхні циліндра, віддалених від поперечної площини його симетрії вздовж твірної відповідно на відстані L/3, 2*L/3, L, а також точки B центру його торцевої поверхні.

Опис розрахункової схеми:

Розрахункова схема – осесиметрична задача. Сітка скінченних елементів розбита з кроком 0,25 м у меридіональному напрямку та з кроком 0,10 м у радіальному напрямку.

Початкова геометрія

Початкова геометрія

Геометрія:

Радіус циліндра R = 1 м;
Довжина циліндра L = 3 м.

Характеристика матеріалу:

Модуль пружності Е = 2*105 Па;
Коефіцієнт Пуассона ν = 0,2.

Граничні умови:

Геометрична незмінність розрахункової схеми забезпечується з допомогою накладання в'язів за умовами її симетрії.

Навантаження:

Рівномірно розподілене по торцях навантаження F/A = 100 Па.

Результати розрахунку:

Розрахункова схема

Деформована схема

Розрахункова схема
Деформована схема

Мозаїка переміщень по X(G), мм

Мозаїка переміщень по Z(G), мм

Мозаїка переміщень по X(G), мм
Мозаїка переміщень по Z(G), мм

Аналітичне рішення:

Меридіональні Z(G) і радіальні X(G) переміщення можуть бути обчислені за такими формулами:

Z(G) = P*X/E; X(G) = v*P*R/E.

Порівняння результатів розрахунку:

Параметр Теорія LIRA_FEM Похибка, %
Переміщення Z(G) (точка E), мм -0,500 -0,500 0,000
Переміщення X(G) (точка E), мм 0,150 0,150 0,000
Переміщення Z(G) (точка D), мм -1,000 -1,000 0,000
Переміщення X(G) (точка D), мм 0,150 0,150 0,000
Переміщення Z(G) (точка A і C), мм -1,500 -1,500 0,000
Переміщення X(G) (точка A і C), мм 0,150 0,150 0,000
Переміщення Z(G) (точка B), мм -1,500 -1,500 0,000
Переміщення X(G) (точка B), мм 0,000 0,000 0,000

Завантажити приклад


Помилка в тексті? Виділіть її та натисніть Ctrl + Enter, щоб повідомити нам.



Коментарі

Написати