Ціль:

Визначення напруженого стану балки-стінки при вигині рівномірно розподіленим навантаженням.

Література:

Демидов С.П. Теория упругости, М., Высшая школа, 1979.

Формулювання задачі:

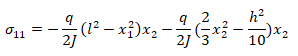
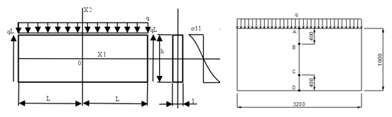
Визначити напруження σ11 у балці-стінці на гранях, а також на відстані 0,4 м від них (точки A, B, С і D).

Опис розрахункової схеми:

До верхньої грані балки-стінки прикладено рівномірно розподілене навантаження інтенсивністю q.

Початкова геометрія аналітичної схеми

Початкова геометрія аналітичної схеми

Початкова геометрія СЕ моделі, варіант 1

Початкова геометрія СЕ моделі, варіант 2

Початкова геометрія СЕ моделі, варіант 3

Варіант 1

Варіант 2

Варіант 3


Початкова геометрія СЕ моделі

Геометрія:

Товщина: l = 0,1 м;
Довжина: 2L = 3,2 м;
Висота: h = 1,6 м.

Характеристика матеріалу:

Модуль пружності Е = 3 * 107 кПа;
Коефіцієнт Пуассона ν = 0,3.

Граничні умови:

Вертикальне обпирання по бокових гранях – в'язі, які забороняють переміщення вздовж глобальної осі Z.

Навантаження:

Рівномірно розподілене навантаження: q = 500 кН/м.

Результати розрахунку:

Розрахункова та деформована схеми, варіант 1

Розрахункова та деформована схеми, варіант 2

Розрахункова та деформована схеми, варіант 3

Варіант 1

Варіант 2

Варіант 3


Розрахункова та деформована схеми

Мозаїка напружень σ11 (Nх), кН/м2, варіант 1

Мозаїка напружень σ11 (Nх), кН/м2, варіант 2

Мозаїка напружень σ11 (Nх), кН/м2, варіант 3

Варіант 1

Варіант 2

Варіант 3


Мозаїка напружень σ11 (Nх), кН/м2

Інтерполяція/екстраполяція значень мозаїки напружень Nx, кН/м2, варіант 1

Інтерполяція/екстраполяція значень мозаїки напружень Nx, кН/м2, варіант 2

Інтерполяція/екстраполяція значень мозаїки напружень Nx, кН/м2, варіант 3

Варіант 1

Варіант 2

Варіант 3


Інтерполяція/екстраполяція значень мозаїки напружень Nx, кН/м2

Аналітичне рішення:

J = bh3/12

Порівняння результатів розрахунку:

Без додаткових вузлів на сторонах:

Шукана величина Точка Аналітичне рішення LIRA-FEM Похибка, %
Вар. 1 Вар. 2 Вар. 3 Вар. 1 Вар. 2 Вар. 3
Напруження σx, кН/м2 А -16070 -11999 -15457,89 -15884,63 25,3329 3,809 1,1535
В -7045 -5999,5 -6720,937 -6976,896 14,8403 4,5999 0,9667
С 7090 5999,5 6751,063 6975,234 15,3808 4,7805 1,6187
D 15925 11999 15127,71 15742,18 24,6531 5,0065 1,148

З використанням додаткових вузлів на сторонах:

Шукана величина Точка Аналітичне рішення LIRA-FEM Похибка, %
Вар. 1 Вар. 2 Вар. 3 Вар. 1 Вар. 2 Вар. 3
Напруження σx, кН/м2 А -16070 -12589,25 -15872,02 -15996,21 21,6599 1,232 0,4592
В -7045 -6291,6 -6855,656 -7014,763 10,6941 2,6876 0,4292
С 7090 6303,7 6894,719 7016,448 11,0903 2,7543 1,0374
D 15925 12601,35 15438,13 15829,75 20,8706 3,0573 0,5981

Завантажити приклад


Помилка в тексті? Виділіть її та натисніть Ctrl + Enter, щоб повідомити нам.



Коментарі

Написати