Розрахунок безкаркасних збірних великопанельних будівель передбачає врахування піддатливого з'єднання стін та плит у місцях їх перетинів (стиків). Як правило, у просторових розрахункових моделях будівель такого типу піддатливе з'єднання моделюється дискретними в'язями кінцевої жорсткості [6, 14, 15]. Жорсткість дискретних в'язів визначається на підставі виду стику та його конструктивних особливостей [1, 2, 3]. Моделювання дискретних в'язів досить трудомістка задача та автоматизація процесу їх створення дозволяє суттєво скоротити трудовитрати інженера-розрахунника.

У ПК ЛІРА САПР 2017 з'явився спеціальний інструмент для ефективного моделювання та розрахунку вузлів великопанельних будівель під назвою «Стик» [4].

Розроблено спеціальний клас інформаційних об'єктів – стик панелей, який дозволяє суттєво спростити та автоматизувати процес моделювання великопанельних будівель, з подальшою тріангуляцією та отриманням скінченно-елементної розрахункової схеми.

У статті розглядаються основні положення щодо роботи з інструментом «Стик».


Створення стиків збірних елементів (панелей)

У ПК САПФІР 2017 (препроцесор ПК ЛІРА-САПР) з'явилася нова система Панельні будівлі, основою якої є інструмент «Стик».

Стик панелей в ПК САПФІР – особливий інформаційний об'єкт. Він існує лише на перетині конструктивних елементів моделі будівлі (стін, перекриттів) та характеризує особливості їх з'єднання.

При створенні стиків в моделі, залежно від положення елементів, що з'єднуються, та їх кількості, визначається тип стику: вертикальний або горизонтальний, стіна-стіна, або стіна-плита-стіна і т.п. Для призначення стиків та дублювання (розповсюдження) їх властивостей існують спеціальні інструменти.

Призначення стиків проводиться на попередньо підготовленій моделі будівлі. Модель може бути підготовлена шляхом створення будівлі одразу з окремих збірних елементів або за допомогою розрізання умовно монолітної будівлі на окремі елементи.

Розрізати стіни та плити на окремі елементи можна за допомогою стандартних інструментів ПК САПФІР або спеціальними засобами автоматичного та ручного розрізання, що надаються інструментом «Стик». При автоматичному розрізанні існує можливість розрізання стін по лінії перетину з іншими стінами, а плит по стінах, що примикають, по координаційних осях і по попередньо створених лініях розрізання.

Горизонтальні та вертикальні стики елементів створюються:

- шляхом вказування курсором області у моделі, де стикуються елементи;

- автоматично за допомогою функції «Обробити» для поверху, всієї будівлі, виділених/невиділених елементів;

- примусово за допомогою функції «Створити стик» для виділених елементів.

Стик у моделі створюється на підставі бібліотечного прототипу. Опис параметрів прототипів стиків зберігається у бібліотеці стиків ПК САПФІР. Бібліотека стиків з параметрами за умовчанням постачається разом з ПК САПФІР. Також у користувача є можливість поповнювати бібліотеку стиків новими прототипами, що створюються на основі існуючих, або на основі базових схем перетину елементів.

При установці стиків у моделі бібліотечний прототип зв'язується з конкретними деталями, і перетворюються на екземпляр. Усі значення параметрів, які були у стиків у бібліотеці, застосовуються до поточного екземпляру. Деякі параметри уточнюються за місцем. Наприклад, у бібліотеці були задані параметри розміщення закладних деталей. Для екземпляру розраховується реальна довжина стику, а закладні деталі розставляються вздовж стику по заданих параметрах. З реальних деталей екземпляр стику отримує товщину стіни, товщину перекриття, матеріал перекриття. З бібліотечних параметрів – марку розчину, товщини швів, зазори.

Для контактного та платформного стиків на основі їх властивостей автоматично розраховується жорсткість скінченних елементів, за допомогою яких моделюється піддатливість вузлів збірної великопанельної будівлі.

Найбільш зручним для роботи зі схемою загалом є автоматичний спосіб створення стиків, так як він дозволяє швидко обробити всю будівлю або її значний фрагмент. Програма аналізує місця у моделі, в яких можна організувати стик, та підбирає для кожної такої ділянки підходящий стик із бібліотеки. Можлива ситуація, коли в бібліотеці присутні декілька стиків, кожен з яких підходить для встановлення в даному місці. У цій ситуації програма встановить перший підходящий стик із бібліотеки. Якщо у користувача є свої конкретні уподобання, то йому необхідно після автоматичної установки виділити стик, автоматично встановлений програмою, та замінити його іншим, вибравши потрібний із бібліотеки. Або слід заздалегідь вказати в бібліотеці стиків прототип, якому він надає перевагу.

Налаштування параметрів стику

Для горизонтального стику налаштовуються наступні параметри: найменування, марка, тип конструктиву, колір позначення, матеріал шва, довжина шва, крок вузлів розбиття, налаштування адаптації кроку вузлів розбиття, товщини розчинних швів, зазори між плитами у стику, наявність закладних деталей та їх параметри.

Розглянемо докладніше деякі налаштування.

Тип конструктиву – вибір представлення стику в аналітичній моделі. Тип конструктиву «Жорсткий» передбачає, що елементи стін та плит з'єднані по лінії їх перетину без посередників по всіх ступенях свободи у загальних вузлах. Тип конструктиву «З урахуванням заповнення» і «З урахуванням заповнення нелінійний» передбачає, що стіни з плитами з'єднуються через спеціальні скінченні елементи (КЕ 58/59 та КЕ 258/259 для нелінійного заповнення).

Крок вузлів розбиття визначає розбивку платформного стику на скінченні елементи. Адаптивний крок дозволяє отримати більш якісну сітку скінченних елементів шляхом гнучкого коригування вказаного раніше кроку вузлів розбиття. Наприклад, для простінка шириною 2000мм при вказаному кроці вузлів 300мм та обраному адаптивному кроці, відстань між вузлами елементів стику буде не 300мм, а 285.71мм.

У параметрах закладних деталей налаштовуються наступні властивості: спосіб моделювання, колір відображення, крок по довжині стику і відступ першої деталі від початку стику; кількість деталей; мінімальна відстань від деталі до кінця стику.

Можливі способи моделювання з'єднання панелей за допомогою закладних деталей: відсутність деталей, моделювання з'єднання за допомогою КЕ 55/255 або об'єднання переміщень.

Всі панелі, що стикуються, мають свій порядковий номер і можуть з'єднуватися в'язями через закладні деталі. У налаштуваннях закладних деталей вказується, які елементи стику з'єднує відповідна в'язь. З'єднання створюється вказівкою Так/Ні навпаки відповідної пари елементів стику. Також задається жорсткість в'язі у прив'язці до локальної системи координат стику.

Для поглибленого контролю параметрів стику існує властивість «Подетальне налаштування», яке, наприклад, дозволяє застосувати опцію «Аналітика по фізиці». Тоді аналітична модель для цих елементів співпадатиме за габаритами з фізичною.

Зміна та копіювання параметрів стику

При створенні стиків може статися так, що застосовується тип стику або схема з'єднання, які не підходять для цього перетину елементів. У таких випадках існує можливість змінити тип стику, схему стику, або параметри стику.

Стик панелей не можна «копіювати» як окремий об'єкт, на відміну від стін, плит, колон, балок і т.д. Однак є можливість копіювання властивостей конкретного стику на інші стики, що мають таку саму схему з'єднання елементів. Властивості виділеного стику можна автоматично поширювати на стики всієї будівлі, окремі поверхи, або тільки на поверх, що є поточним. На вибір користувача поширювати властивості можна на стики такої самої марки, тільки на стики того ж бібліотечного типу, на стики з такою самою схемою, на стики з певною довжиною.

Також копіювання властивостей стику можливе за допомогою стандартної функції ПК САПФІР «Витягти властивості».

Приклади стиків

Розглянемо приклади з'єднання збірних елементів та їх реалізацію за допомогою інструменту «Стик».

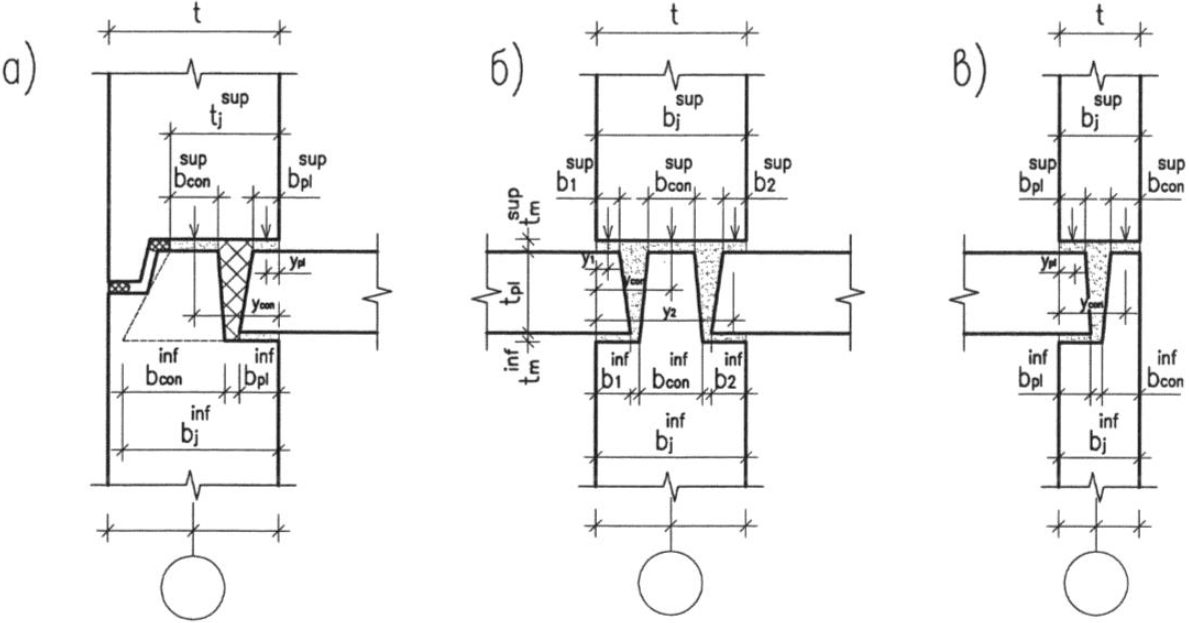
Платформний стик із двостороннім обпиранням плит перекриттів
https://liraserv.com/kb/96/490/

Рис 1_Схема двухстороннего платформенного стыка и его конечноэлементная модель.png

Рис. 1. Схема двостороннього платформного стику (рис. 4.2.в [2]) та його скінченно-елементна модель

Рис 2_Общие настройки двухстороннего платформенного стыка.png

Рис. 2. Загальні налаштування двостороннього платформного стику

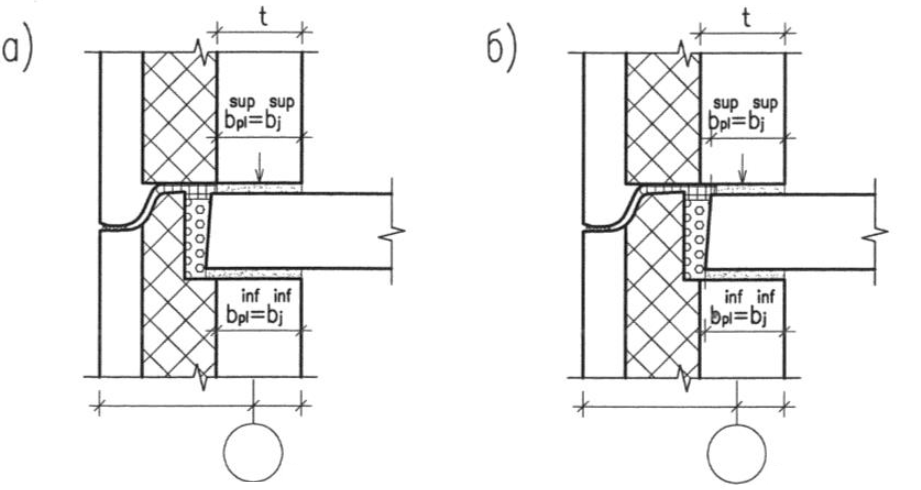
Платформний стик внутрішніх стін з одностороннім обпиранням плити перекриття
https://liraserv.com/kb/96/491/

Рис 3_Схема одностороннего платформенного стыка и его конечноэлементная модель.png

Рис. 3. Схема одностороннього платформного стику (рис. 4.2.г [2]) та його скінченно-елементна модель

Рис 4_Общие настройки одностороннего платформенного стыка .png

Рис. 4. Загальні налаштування одностороннього платформного стику

При обпиранні плити на зовнішню багатошарову стіну, за умови, що в САПФІР в якості матеріалу вибраний багатошаровий, стик прив'язується тільки до несучого шару. У ЛІРА-САПР багатошарова панель розглядається як пластина з товщиною несучого шару та приведеною об'ємною вагою.


Рис 5_Схема платформенного стыка наружных стен .png

Рис. 5. Схема платформного стику зовнішніх стін (рис. 4.2.а,б [1])

Простий контактний стик
https://liraserv.com/kb/96/489/

Рис 6_Схема контактного стыка стен и его конечноэлементная модель.png

Рис. 6. Схема контактного стику стін (рис. 4.3.а [2]) та його скінченно-елементна модель

Рис 7_Общие настройки контактного стыка.png

Рис. 7. Загальні налаштування контактного стику

Контактний стик із обпиранням плит перекриттів на консолі стін
https://liraserv.com/kb/96/489/

Контактний стик стін з опорою плит перекриттів на консолі також можна створити за допомогою інструменту «Стик», але з деяким подальшим доопрацюванням в ЛІРА-САПР.


Рис 8_Схема контактного стыка стен с опиранием плит перекрытий на консоли .png

Рис. 8. Схема контактного стику стін з обпиранням плит перекриттів на консолі (рис. 4.3.б, в [2])

Рис 9_Настройки параметров контактного стыка стен с опиранием плит перекрытий на консоли.png

Рис.9. Налаштування параметрів контактного стику стін з спиранням плит перекриттів на консолі

Рис 10_Конечноэлементная модель контактного стыка стен с опиранием плит перекрытий на консоли.png

Рис. 10. Скінченно-елементна модель контактного стику стін з обпиранням плит перекриттів на консолі

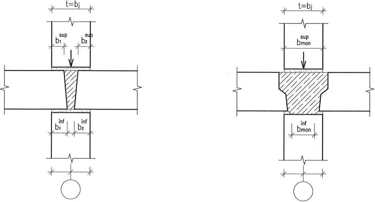
Контактно-платформні та платформно-монолітні стики збірних стін.

Рис 11_Схема контактного-платформенного стыка стен .png

Рис. 11. Схема контактно-платформного стику стін (рис. 4.4. [2])

Рис 12_Схема платформенно-монолитного стыка стен .png

Рис. 12. Схема платформно-монолітного стику стін (рис. 4.5. [2])

За допомогою інструменту «Стик» можна також створювати контактно-платформні та платформно-монолітні стики збірних стін. Дані стики можуть бути сформовані на базі розглянутих раніше платформних та контактних стиків. Але при моделюванні змішаних типів стиків слід враховувати, що САПФІР версії 2017 автоматично визначає жорсткість тільки для платформного та контактного стику. Жорсткість для змішаних типів стиків можна задати у діалозі «Розрахунок жорсткості стику».


Список літератури

  1. Пособие по проектированию жатых зданий / ЦНИИЭП жилища Госкомархитектуры. Вып. 3. Конструкции жилых зданий (к СНиП 2.08.01-85). – М. : Стройиздат. 1989. – 304 с.
  2. СП «Крупнопанельные конструктивные системы. Правила проектирования» (Проект, Вторая редакция).
  3. Методическое пособие «Проектирование жилых многоквартирных зданий с широким шагом несущих конструкций, обеспечивающих свободную планировку»
  4. Водопьянов Р. Ю. Моделирование и расчет крупнопанельных зданий в ПК ЛИРА-САПР 2017 // Жилищное строительство. 2017. №3. С. 42-48
  5. Данель В.В. «Определение жесткостей платформенных стыков» (Журнал «Жилищное строительство» №2 2012 г.)
  6. Данель В.В. «Параметры 3D-стержней, моделирующих стыки в конечноэлементных моделях» (Журнал «Жилищное строительство» №5 2012 г.)
  7. Данель В.В. «Анализ формул для определения жесткости при сжатии платформенных стыков крупнопанельных зданий» (Журнал «Строительная механика и расчет сооружений» №1 2010 г.)
  8. Данель В.В., Кузьменко И.Н. «Определение жесткости при сжатии платформенных и платформенно-монолитных стыков крупнопанельных зданий» («Строительная механика и расчет сооружений» №2 2010 г.)
  9. Данель В.В. «Анализ формул для определения жесткости при сдвиге платформенных стыков крупнопанельных зданий» (Журнал «Бетон и железобетон» №1 2010 г.)
  10. Данель В.В., Кузьменко И.Н. «Напряжённо-деформированное состояние платформенных стыков крупнопанельных зданий с учётом изгибающих моментов от плит перекрытий» (Журнал «Бетон и железобетон» №4 2010 г.)
  11. Данель В.В. «О приведенном модуле упругости» (Журнал «Бетон и железобетон» №5 2011 г.)
  12. Данель В.В., Кузьменко И.Н. «Жесткости стыков крупнопанельных зданий: анализ формул, рекомендации по их уточнению и использованию в конечноэлементных моделях» (Сборник научных статей «Актуальные проблемы исследований сооружений» Часть 2 М. 2009 г.)
  13. Данель В.В. «Анализ формул для определения сдвиговой жесткости безшпоночного вертикального монолитного бетонного стыка двух железобетонных панелей, пересекаемого непрерывными арматурными стержнями» (Журнал «Строительная механика и расчет сооружений» №5 за 2013 г.)
  14. Шапиро Г.И., Гасанов А.А,. Юрьев Р.В. «Расчет зданий и сооружений в МНИИТЭП» (Журнал «Промышленное и гражданское строительство» №6 2007 г).
  15. Шапиро Г.И. Юрьев Р.В. «К вопросу о построении расчетной модели панельноrо здания» (Журнал «Промышленное и гражданское строительство» №12 2004 г).

Помилка в тексті? Виділіть її та натисніть Ctrl + Enter, щоб повідомити нам.

Віктор Губченко

Провідний інженер технічної підтримки в ТОВ «Ліра сервіс».
Проектування, супровід програмних комплексів.

Інші публікації цього автора


Коментарі

Написати