В LIRA-FEM 2025 (система ГРУНТ) реализован расчет прочности основания в соответствии с нормами EN 1997-1:2004 (Eurocode 7: Geotechnical design – Part 1: General rules).
Многие нормативные документы регламентируют процесс расчёта нагрузки от ветра на поверхности крыш различной формы. Предлагаются таблицы, устанавливающие связь между геометрическими параметрами крыши и коэффициентами для определения ветрового давления на различных участках поверхности крыши. Если значения параметров не представлены в таблицах, предп...
Нередко возникает задача учитывать собственный вес огнезащитной обмазки или других покрытий, наносимых на стержневые элементы конструкций (балки, колонны).
В версии LIRA-FEM 2025 реализована новая программная защита от немецкой компании WIBU-SYSTEMS AG. В статье описывается общая информация о типах ключей. Содержится инструкция по настройке сетевого сервера лицензий CodeMeter (CodeMeter network license server)
Являясь полноценным препроцессором для LIRA-FEM, подсистема LIRA-CAD позволяет не только моделировать конструкции, но и задавать/моделировать нагрузки.
Одной из задач компьютерной графики является формирование выразительных изображений объектов виртуального мира на экранах ваших видеомониторов. Так уж повелось, что любые сколь бы то ни было криволинейные поверхности на финальных этапах визуализации вынуждены стать плоскими треугольниками. Подобно тому, как в МКЭ, какими бы ни были контуры плит, на...
Нередко монолитные ж/б плиты имеют конфигурацию, существенно отличающуюся от тривиального прямоугольника. В этих случаях актуальным становится вопрос о направлении осей для результатов армирования.
Временами возникает задача сформировать адекватное визуальное представление проектируемого объекта. Здесь на помощь всегда приходят текстуры. В этой заметке пойдёт речь о некоторых нюансах использования текстур.
Версия LIRA-CAD 2025 базируется на обновлённом графическом движке, позволяющем использовать возможности оборудования как по стандарту OpenGL 1.1, так и по стандарту OpenGL 4.6. В том числе, с использованием языка программирования шейдеров GLSL 4.6.
Стандарт OpenGL 4.6, который был принят в 2017 году, предусматривает использование программируемого конвейера визуализации. Это значит, что алгоритмы, которые раньше были жёстко прошиты в кристаллах видеокарты, теперь можно загружать извне.
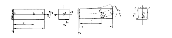
Вопрос о моделировании подвижных нагрузок может возникать не только при проектировании пролётных строений (мостов, путепроводов, эстакад).
Вы только что установили наши программы на свой компьютер, запускаете LIRA-CAD и… происходит аварийное завершение приложения прямо на старте. Что делать в этом и ещё нескольких подобных случаях прежде, чем рвать на себе волосы из-за неудачной покупки. Имеется в виду из-за покупки неудачной видеокарты.
Новая система Сочетания нагрузок и воздействий позволяет автоматически найти наиболее опасные сочетания для норм, таких как СНиП 1985 года, а также для норм, в основе которых лежит Eurocode. Кроме того, доступна возможность создания произвольных правил (формул) формирования сочетаний загружений, заданных пользователем и привязанных или не п...
Рекомендации по выбору оптимальной конфигурации компьютера для программного комплекса LIRA-FEM по соотношению цена/качество. Актуальность на декабрь 2024
Для версии LIRA-CAD 2025 существенно обновлена графическая подсистема, обеспечивающая визуализацию модели проектируемого объекта.
В этой статье мы рассмотрим два основных способа запуска LIRA-FEM на Mac: виртуализация через Parallels Desktop для устройств с процессорами серии M и использование Boot Camp для Mac с процессорами Intel.
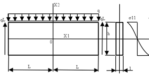
Одним из основных факторов поражения любого взрыва является ударная волна. Ударная волна — это зона сжатого воздуха, которая распространяется во все стороны от центра взрыва со скоростью выше скорости звука и может оказать разрушительное воздействие на окружающие объекты. Воздействие ударной волны на элементы сооружений характеризуется сложным комп...
В данной статье рассмотрен пример расчёта коэффициента постели С1 по методу 5 в соответствии с нормами ДБН.
При проектировании жилых и общественных зданий широко применяются сборные железобетонные многопустотные плиты перекрытия. Они выделяются разнообразием размеров, высокой несущей способностью и удобством монтажа. В данной статье мы рассмотрим процесс моделирования таких плит с использованием программного комплекса ЛИРА-САПР.
Начиная с версии ПК ЛИРА-САПР 2020 реализован механизм автоматического создания высокоточных (с узлами на сторонах) линейных конечных элементов.
Предположим, возникла задача: сделать так, чтобы из САПФИР в ЛИРА-САПР поступали автоматически формируемые ТЗА , которые предполагают расстановку арматурных стержней в два слоя.
В ЛИРА САПР 2024 (система ГРУНТ) реализован новый метод расчета коэффициента жесткости упругого основания С1 (Метод 6), который позволяет учесть влияние динамических волн на упругие свойства грунта.
В статье описано как моделировать температурную нагрузку в САПФИР. Для моделирования температурных нагрузок в САПФИР имеются специализированные инструменты. Они доступны на вкладке «Аналитика» в меню «Нагрузки».
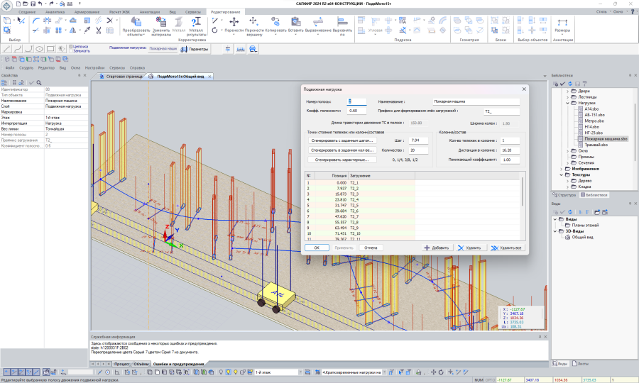
Инструмент Подвижная нагрузка ориентирован на задание нагрузок от транспорта на различные типы конструкций: покрытие стилобата, перекрытия подземных паркингов, мостовые конструкции, автомагистрали и т.д.
Для различных целей бывает полезно моделировать давление грунта на стены подвала. Необходимые для этого команды представлены на вкладке «Создание», панель «Нагрузки».
Новая система «Прогрессирующее обрушение» ПК ЛИРА-САПР 2020 позволяет автоматизировать расчет конструкций на устойчивость к прогрессирующему обрушению.